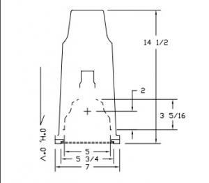
PRODUCT DESCRIPTION

HP2 Series Ingrade Remote Ballast Deep Housing Metal Halide E17

B-K Lighting, Inc.

HP2 Series™ Ingrade Remote Ballast Deep Housing Halide E1

40429 Brickyard Dr.
Madera, CA  93636-9515
559-438-5800
Fax: 559-438-5900
bklighting.com




Models

HP2 Series™ Ingrade Remote Ballast Deep Housing Metal Halide E17 7V

Available Downloads

       



HP2 Series????_?? Ingrade Remote Ballast Deep Housing Metal Halide E17 6V

Available Downloads

     
 



HP2 Series????_?? Ingrade Remote Ballast Deep Housing Metal Halide E17 5V

Available Downloads

       



HP2 Series™ Ingrade Remote Ballast Deep Housing Metal Halide E17 1V & Specs

Available Downloads

     



Related Products From This Vendor